Lieferung per DHL
Lieferzeit 1-3 Werktage
Kunden Über 10.000 zufriedene Kunden
seit Jahren Seit über 100 Jahren
Artikel 5000 Artikel auf Lager
Zertifiziert Zertifizierter Händler

Artikelbeschreibung

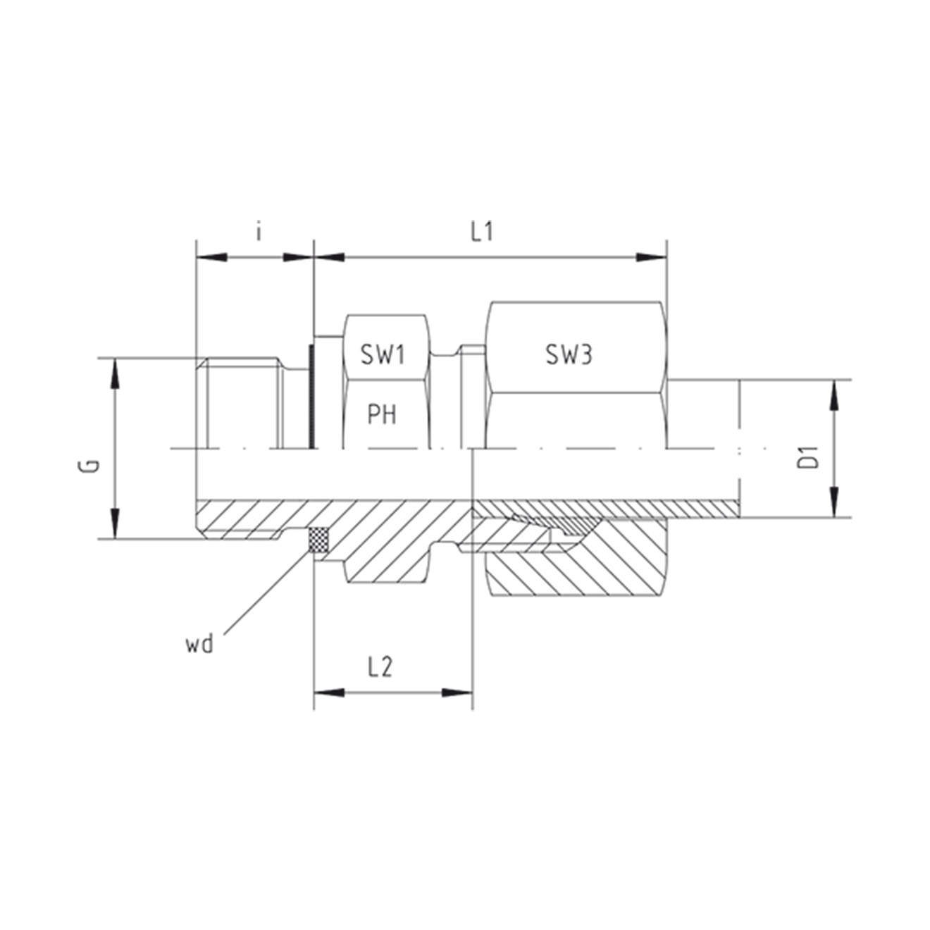
Die GE-LR-35-G 1"-wd ist eine gerade Einschraub-Schneidringverschraubung aus der leichten Baureihe (L) nach DIN 2353 und DIN EN ISO 8434-1. Sie eignet sich für einen Rohr-Außendurchmesser von 35 mm und einen Druck von bis zu 250 bar. Die Rohrverschraubung hat ein zölliges 1" Außengewinde und eine Weichdichtung aus FPM. Die Hydraulikverschraubung hat durch das Material (Edelstahl 1.4571) eine außerordentliche Beständigkeit gegenüber vielen Medien und äußeren Umwelteinflüssen.

Technische Daten

  • Rohr-Außendurchmesser (A.D.): 35 mm
  • Druck: 250 bar
  • Temperatur: -20°C bis +200°C
  • Länge 1 (L1): 42 mm
  • Länge 2 (L2): 17,5 mm
  • Schlüsselweite 1 (SW1): 46 mm
  • Schlüsselweite 3 (SW3): 50 mm
  • Material: Edelstahl 1.4571
  • Gewinde: G 1"
  • Dichtung: FPM

Vorteile

  • Hohe Dichtigkeit und Sicherheit in Hydrauliksystemen
  • Einfache Montage und Demontage
  • Langlebig und korrosionsbeständig

Anwendungsbereiche

Ideal für:

  • Hydrauliksysteme
  • Industrielle Anlagen
  • Maschinenbau
  • Pneumatik

Lieferumfang

  • 1x Verschraubungskörper
  • 1x Zweikanten-Schneidring
  • 1x Überwurfmutter

Eigenschaften

Baureihe
Leicht
Gewindeanschluss
G 1"
Rohr AD
35 mm

Weitere Informationen

  • Gewicht:
    0.441 kg

Datenblätter

Jetzt für unseren Newsletter anmelden!

Ihre Anmeldung konnte nicht gespeichert werden. Bitte versuchen Sie es erneut.
Ihre Anmeldung war erfolgreich.

Erhalten Sie immer die neuesten Angebote und Produktempfehlungen sowie hilfreiche Anwendungsinformationen.

Wir verwenden Brevo als unsere Marketing-Plattform. Wenn Sie das Formular ausfüllen und absenden, bestätigen Sie, dass die von Ihnen angegebenen Informationen an Brevo zur Bearbeitung gemäß den Nutzungsbedingungen übertragen werden